Рейтинг@Mail.ru

Услуги



Наши партнеры




Главная » Grundfos » CM (E) » CM » CM-A » CM-A 10-x » Grundfos CM-A 10-1 A-R-A-E-AQQE 3x400В
Версия для печати Версия для печати

Grundfos CM-A 10-1 A-R-A-E-AQQE 3x400В

Артикул:  97516577
Цена обновлена - 20.12.2025

Оценить

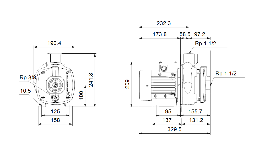
Компактный, надежный, горизонтальный, многоступенчатый, центробежный насос Grundfos CM10-1 A-R-A-E-AQQE (97516577) с односторонним всасыванием с осевым всасывающим и радиальным выпускным патрубком. Вал, рабочего колеса и камеры выполнены из нержавеющей стали. Впускные и выпускные части выполнены из чугуна. Механическим уплотнением вала является специально спроектированное, несбалансированное кольцевое уплотнение. Соединение с трубопроводами выполняется через внутреннюю трубную резьбу Витворта, Rp (ISO 7/1). Насос CM10-1 A-R-A-E-AQQE оборудован 3-фазным, монтируемым на опорных лапах, асинхронным электродвигателем с вентиляторным охлаждением.

Технические характеристики:
Наименование продукта - CM10-1 A-R-A-E-AQQE
№ продукта (Артикул) - 97516577
EAN код - 5700317301887

Технические данные:
Частота вращения - 2900 об/м
Номинальный расход - 10 м3/ч
Номинальный напор - 13.7 м
Рабочие колеса - 1
Первичное уплотнение вала - AQQE
Данные на фирменной табличке - CE,WRAS,ACS,TR,EAC
Допуски по рабочим хар-кам - ISO9906:2012 3B
Исполнение насоса - A
Модель - A

Материалы:
Корпус насоса - Чугун
Корпус насоса - EN-JL1030
Корпус насоса - ASTM 30 B
Рабочее колесо - Нержавеющая сталь
Рабочее колесо - DIN W.-Nr. 1.4301
Рабочее колесо - AISI 304
Код материала - A
Резина - EPDM
Код резины - E

Монтаж:
Максимальная температура окружающей среды - 55 °C
Макс. рабочее давление - 10 бар
Макс. давление при заданной температуре - 10 бар / 90 °C
Соединение труб - резьба Rp
Код присоединения - R
Вход насоса - Rp 1 1/2
Выход насоса - Rp 1 1/2

Жидкость:
Рабочая жидкость - Вода
Диапазон температур жидкости - -20 .. 90 °C
Температура перекачиваемой жидкости - 20 °C
Плотность - 998.2 кг/м3

Данные электрооборудования:
Тип электродвигателя - 71B
Номинальная мощность P2 - 0.65 кВт
Частота питающей сети - 50 Hz
Номинальное напряжение - 3 x 220-240D/380-415Y В
Сервис-фактор электродвигателя - 1
Номинальный ток - 2,8-3,1/1,6-1,8 A
Пусковой ток - 580-620 %
Номинальная скорость - 2770-2820 об/м
Класс защиты (IEC 34-5) - IP55
Класс изоляции (IEC 85) - F
Защита электродвигателя - НЕТ

Другое:
Минимальный индекс эффективности MEI - 0.7
Нетто вес - 20.9 кг
Брутто вес - 23.4 кг

Есть вопросы?

Вы можете задать нам вопрос(ы) с помощью следующей формы.

Имя:

Email

Пожалуйста, сформулируйте Ваши вопросы относительно Grundfos CM-A 10-1 A-R-A-E-AQQE 3x400В:


Введите число, изображенное на рисунке
code