Рейтинг@Mail.ru

Услуги



Наши партнеры




Главная » Grundfos » SP » SP 60 » SP 60 (пуск "звезда-треугольник") » Grundfos SP 60-14 Rp4 6"3X380-415/50 SD 26kW
Версия для печати Версия для печати

Grundfos SP 60-14 Rp4 6"3X380-415/50 SD 26kW

Артикул:  14A16914
Цена обновлена - 11.11.2025

Grundfos   SP 60 - 14
Grundfos SP 60-14 Rp4 6"3X380-415/50 SD 26kWGrundfos SP 60-14 Rp4 6"3X380-415/50 SD 26kW
Оценить


SP 60 (пуск "звезда-треугольник")

Многоступенчатый скважинный насос для перекачивания необработанной воды, понижения уровня грунтовых вод
и повышения давления чистой, невязкой, неагрессивной жидкости, без абразивных и длинноволокнистых включений.
Насос полностью выполнен из нержавеющей стали DIN № 1.4301 (исполение "N"  DIN № 1.4401, "R"  DIN № 1.4539).
Для установки насоса в горизонтальном положении требуется применять охлаждающий кожух (см. раздел "Принадлежности").

Насос оснащен встроенным обратным клапаном

Описание
Тип продукта -     SP 60 - 14
Производственный номер -    14A16914
EAN номер - 5700391140495
Жидкость:
Макс. t жидкости при 0,15 м/сек - 30 °C
0,15 м/сек
Технич.:
Частота вращения - 2900 об/м
Номинальная подача - 60 м?/ч
Номинальный напор - 111 м
Торцевое уплотнение для двигателя - CER/CARBON
Допуск на рабочие хар-ки - ISO9906
Номер насоса -     14A10014
Ступени - 14
Модель - A
Клапан - насос со встроен. обратн. клапаном
Материалы:
Насос - Нержавеющая сталь DIN W.-Nr. 1.4301   AISI 304
Рабочее колесо - Нержавеющая сталь  DIN W.-Nr. 1.4301   AISI 304
Электродвигатель - Нержавеющая сталь DIN W.-Nr. 1.4301  AISI 304
Монтаж:
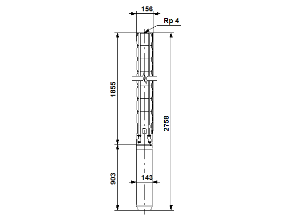
Выход насоса - Rp 4
Диаметр электродвигателя - 6 inch
Данные электрообор-я:
Тип электродвигателя - MS6000
Применяемый электродвигатель - NEMA
Номинальная мощность - P2 - 26 кВт
Промышленная частота - 50 Hz
Номинальное напряжение - 3 x 380-400-415 V
Способ запуска - пуск/схема соединения треугольником  
Номинальный ток - 59,0-57,0-57,0 A
Cos фи - характеристика мощности - 0,87-0,84-0,81
Номинальная скорость - 2840-2860-2880 об/м
Класс защиты (IEC 34-5) - 58
Класс изоляции (IEC 85) - F
Защита электродвигателя - Отсутс.
Тепловая защита -  внешн.
Встроенный датчик температуры - да
Номер электродвигателя -  78695519
Другое:
Нетто вес - 109 кг
Полный вес - 136 кг
Объем упаковки - 0.23 м3

Есть вопросы?

Вы можете задать нам вопрос(ы) с помощью следующей формы.

Имя:

Email

Пожалуйста, сформулируйте Ваши вопросы относительно Grundfos SP 60-14 Rp4 6"3X380-415/50 SD 26kW:


Введите число, изображенное на рисунке
code