Рейтинг@Mail.ru

Услуги



Наши партнеры




Главная » WILO » RainSystem » AF 400 » Установка WILO-RAINSYSTEM AF400-2MP 604DM/RCH2+1
Версия для печати Версия для печати

Установка WILO-RAINSYSTEM AF400-2MP 604DM/RCH2+1

Артикул:  2504590
!Цена не актуальна!

Оценить

Автоматическая установка использования дождевой воды WILO-RAINSYSTEM AF400-2MP 604DM/RCH2+1 с приемным резервуаром и 2-мя нормальновсасывающими насосами

Применение:
Система Hybrid-System для промышленного использования дождевой воды в сочетании с цистернами и баками и для экономии питьевой воды.
 
Обозначение WILO-RAINSYSTEM AF400-2MP 604DM/RCH2+1:
AF - Автоматическая установка использования дождевой воды и пополнения резервуаров питьевой воды (Aqua Feed)
400- Номинальное содержание резервуара подпитки (гибридный резервуар) (л)
2 - Число насосов
MP - Самовсасывающий горизонтальный многоступенчатый центробежный насос серии MultiCargo MP
6 - Расход (м3/ч) при оптимальном коэффициенте полезного действия
04 - Число секций
EM - Однофазный мотор 1~230 В, 50 Гц

Особенности / преимущества Wilo-RAINSYSTEM AF:
- Низкий уровень шума благодаря серийному использованию многоступенчатых лопастных насосов
- Все детали, контактирующие с перекачиваемой средой, выполнены из нержавеющих материалов
- Высокая надежность в работе благодаря полностью электронному регулятору Rain?Control Hybrid
- Высокая экономичность благодаря зависимому от расхода пополнению свежей воды
- Высокая надежность благодаря общей концепции оптимизации потока и шумовых показателей
- Автоматическая система управления питающего насоса
- Низковольтная система управления установкой/уровнем
- Проверено по правилам испытаний согласно Инструкции по качеству RAL GZ 994  

Оснащение/функции:
- готовый к подключению модуль компактной конструкции
- Модуль монтирован на защищенную от колебаний фундаментную раму с выполненными электрическими и гидравлическими соединениями, в комплект также входят:
      - 2 нормальновсасывающих центробежных насоса с низким уровнем шума серии MultiPress, выполненные из нержавеющих материалов
      - Система накопительных трубопроводов R 11/2 с напорной стороны, включая блок датчика, с мембранным напорным резервуаром емкостью 8 л, действующим по принципу протока в соответствии с DIN/DVGW, и запорное устройство с отводом воды и манометром 0–10 бар
      - Шаровой кран с напорной и всасывающей стороны и клапан обратного течения с допуском DIN/DVGW
      - Высокообъемный гибридный резервуар со всеми соединениями, раскисленными приемными отверстиями и водосливом с гидравлическим затвором
      - Центральный прибор управления RainControl Hybrid с электроникой управления, гидровытеснителем 4–20мА, а также низковольтной системой управления уровнем
      - Индикация работы и неисправностей
      - Равномерное управление установкой посредством цикличной смены насосов и интегрированного тестового хода на неработающих насосах
      - Автоматическое переключение при неисправности и включение второго насоса при пиковых нагрузках
      - Автоматическая замена воды в баке подпитки
      - Непрерывная индикация уровня заполнения цистерны, давления на установке и рабочего состояния на ЖК дисплее (опционально)
      - Включая сертифицированный DVGW магнитный клапан R 1 для пополнения свежей воды

Описание/конструкция:
- Готовая к подключению установка водоснабжения с 2–4 насосами для подачи воды в виде компактного модуля для использования дождевой воды на коммерческих предприятиях и в промышленности
- Для полностью автоматизированной подачи дождевой воды из подземного резервуара или цистерны посредством погружных насосов, действующих как питающие насосы
- В зависимости от расположения насосов при помощи данной гибридной системы также возможно покрывать большие расстояния между установкой и цистерной (см. погружные насосы с электромотором серии Wilo-Drain)
- Высокообъемный гибридный резервуар со всеми встроенными функциями обеспечивает зависимое от расхода пополнение питьевой воды в систему потребления при незаполненной цистерне
- Полностью электронный блок регулирования для управления насосами водоснабжения и цистерны оснащен главным выключателем, контроллером для каждого насоса с функцией Ручной режим–-0–Автоматика и индикацией рабочих состояний Работа/неисправность на каждом насосе, а также индикацией нехватки воды
- В зависимости от давления и расхода воды происходит включение и выключение насосов по каскадной схеме
- Мембранный напорный резервуар для экономии энергии при микроутечках в здании
- Равномерное управление установкой посредством цикличной смены насосов и интегрированного тестового хода на неработающих насосах
- Автоматическое аварийное переключение насоса и включение второго насоса при пиковых нагрузках обеспечивают наилучшую готовность установки к работе
- При нехватке воды благодаря встроенной защите от сухого хода установка отключается
- Со встроенной электронной защитой мотора
- Прибор управления выдает различные сообщения; кроме того, он имеет беспотенциальные контакты для индикации общих рабочих состояний и общих сообщений о неисправности
- Установка идеальным образом подходит для подключения к системе управления и защиты зданий (GLT/DDC

Материалы RAINSYSTEM AF400-2MP 604DM/RCH2+1:
- Корпус насоса из нержавеющей стали 1.4301
- Рабочее колесо из Noryl
- Вал из нержавеющей стали 1.4028
- Скользящее торцевое уплотнение из керамики/графита
- Секции из материала Noryl
- Расширительный мембранный бак: сталь, лакированная

Объем поставки:
- Два малошумных нормальновсасывющих многоступенчатых центробежных насоса
- Гибридный резервуар 400 л со всеми необходимыми подключениями и датчиком, с мембранным напорным баком 8 л, центральное управляющее устройство RainControl?Hybrid с управляющей электроникой и контролем уровня насосов цистерны. Насосы для цистерны Wilo?Drain TM или TS в исполнении для трехфазного тока (опционально для однофазного) заказываются отдельно.

Технические характеристики:
Тип - WILO-RAINSYSTEM AF400-2MP 604DM/RCH2+1
Артикул - 2504590
Номинальная мощность мотора P2 - 750 Вт
Давление включения - Настройка по выбору от 1,0 бар
Давление выключения - Настройка по выбору от 1,0 бар
Температура перекачиваемой жидкости T - +5...+35 °C
Температура окружающей среды, макс. T - 40 °C
Подключение к сети - 3~400 В, 50 Гц
Подпитывающий резервуар V - 400 л
Число насосов в установке - 2
Число секций - 4
Степень защиты - IP 54

Другое:
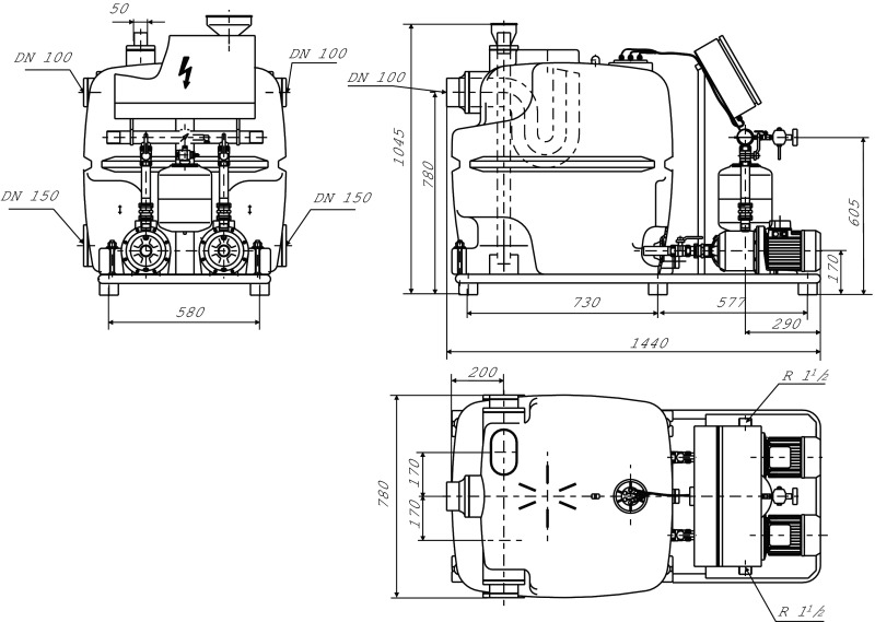
Вес - 92 кг
Длина - 1440 мм
Ширина - 800 мм
Высота - 1350 мм
EAN/UPC код - 4016322418306

Есть вопросы?

Вы можете задать нам вопрос(ы) с помощью следующей формы.

Имя:

Email

Пожалуйста, сформулируйте Ваши вопросы относительно Установка WILO-RAINSYSTEM AF400-2MP 604DM/RCH2+1:


Введите число, изображенное на рисунке
code