Рейтинг@Mail.ru

Услуги



Наши партнеры




Главная » WILO » VeroLine » IP-E » Насос WILO-VeroLine IP-E50/115-0,75/2 R1
Версия для печати Версия для печати

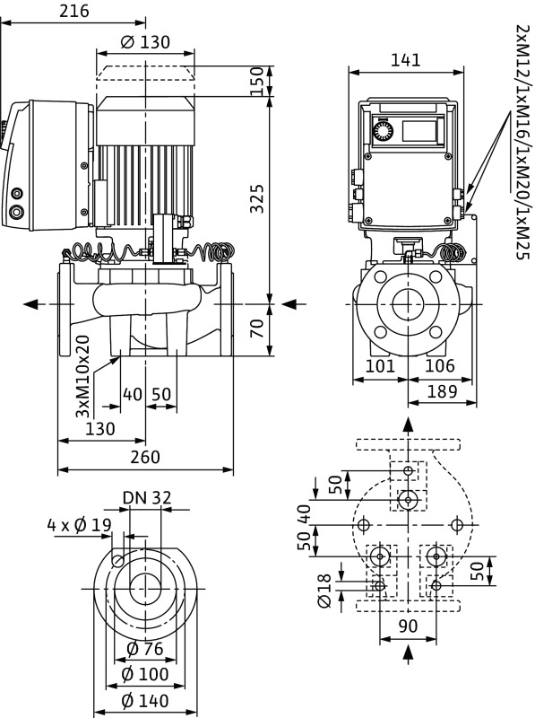
Насос WILO-VeroLine IP-E50/115-0,75/2 R1

Артикул:  2109803
!Цена не актуальна!

Оценить

Электронно регулируемый насос WILO-VeroLine IP-E50/115-0,75/2 R1 с сухим ротором в линейном исполнении с фланцевым соединением и автоматической регулировкой мощности

Применение:
Для перекачивания воды систем отопления (согласно VDI 2035), водогликолевой смеси и охлаждающей и холодной воды без абразивных веществ в системах отопления, кондиционирования и охлаждения
 
Обозначение WILO-VeroLine IP-E50/115-0,75/2 R1:
IP?E - Линейный насос с электронным регулированием
50 - Номинальный диаметр DN подсоединения к трубопроводу
115 - Номинальный диаметр рабочего колеса
0,75 - Номинальная мощность мотора P2 в кВт
2 - Число полюсов
R1 - Исполнение без датчика давления

Особенности / преимущества Wilo-VeroLine IP:
- Серийные моторы с более высоким коэффициентом полезного действия; начиная с номинальной мощности 0,75 кВт, моторы выполнены по технологии IE2
- Экономия электроэнергии за счет встроенной электронной системы регулирования мощности
- Простое управление благодаря технологии «красная кнопка» и дисплея
- Различные виды регулировки ?p-c, ?p-v, PID и n-const. (ручной режим управления)
- Широкий диапазон частоты вращения (750-2900 об/мин)
- Аналоговые интерфейсы 0-10 В, 2-10 В, 0-20 мА, 4-20 мА
- Опциональные интерфейсы для связи с шиной посредством штепсельных IF-модулей
- встроенная система управления сдвоенными насосами
- Два конфигурируемых сигнальных реле для сигнализации рабочего состояния и неисправности
- Конфигурируемые характеристики при возникновении ошибки, согласованные для систем отопления и кондиционирования
- Блокировка доступа к насосу
- Встроенная полная защита мотора (KLF) с электронной системой отключения
- Функции и управление, идентичные с Wilo-CronoLine-IL-E
- Высокая степень защиты от коррозии благодаря катафорезному покрытию.
- Серийные отверстия для удаления конденсата

Описание/конструкция:
Одноступенчатый низконапорный центробежный насос в исполнении Inline со следующими элементами:
  - Скользящее торцевое уплотнение
  - Фланцевое соединение
  - Привод со встроенной электронной системой регулирования частоты вращения

Материалы VeroLine IP-E50/115-0,75/2 R1:
- Корпус насоса и соединительный элемент: EN-GJL-250
- Рабочее колесо: PPO-GF30
- Вал: 1.4021
- Скользящее торцевое уплотнение: AQEGG; другие скользящие торцевые уплотнения по запросу

Объем поставки:
- Насос
- Инструкция по монтажу и эксплуатации

Технические характеристики:
Тип - WILO-VeroLine IP-E50/115-0,75/2 R1
Артикул - 2109803
Стандартное исполнение для рабочего давления - 10 бар
Специальное исполнение для рабочего давления - 16 бар
Диапазон температур - -20...+120 °C
Температура окружающей среды, макс. - 40 °C
Номинальный внутренний диаметр фланца - DN 32
Диапазон частоты вращения - 750-2900 об/мин
Номинальный ток (прим.) IN 3~400 В - 3,20 A
Коэффициент мощности - 0,81
Макс. потребляемая мощность P1 - 1,10 кВт
Номинальная мощность мотора P2 - 0,75 кВт
Создаваемые помехи - EN 61800-3
Степень защиты - IP 55

Другое:
Вес - 29 кг
Длина - 540 мм
Ширина - 330 мм
Высота - 410 мм
EAN/UPC код - 4048482113500

Есть вопросы?

Вы можете задать нам вопрос(ы) с помощью следующей формы.

Имя:

Email

Пожалуйста, сформулируйте Ваши вопросы относительно Насос WILO-VeroLine IP-E50/115-0,75/2 R1:


Введите число, изображенное на рисунке
code