Рейтинг@Mail.ru

Услуги



Наши партнеры




Версия для печати Версия для печати

Grunfos TPED 32-200/2

Артикул:  96112800
!Цена не актуальна!

Grunfos TPED 32-200/2
Grunfos TPED 32-200/2Grunfos TPED 32-200/2Grunfos TPED 32-200/2Grunfos TPED 32-200/2
Оценить

Grunfos TPED 32-200/2 A-F-A BAQE

Сдвоенные насосы Grundfos TPED 32-200/2 Серии 1000 (без датчика перепада давления), 2900 об/мин.

Электродвигатель: со встроенным частотным преобразователем и ПИ регулятором. Класс защиты IP 55.

Поверхность чугунного корпуса имеет коррозионностойкое покрытие, нанесенное методом катафореза.

Насосы с уплотнением BUBE/BAQE предназначены для перекачивания технической воды в системах отопления,
вентиляции, кондиционирования.

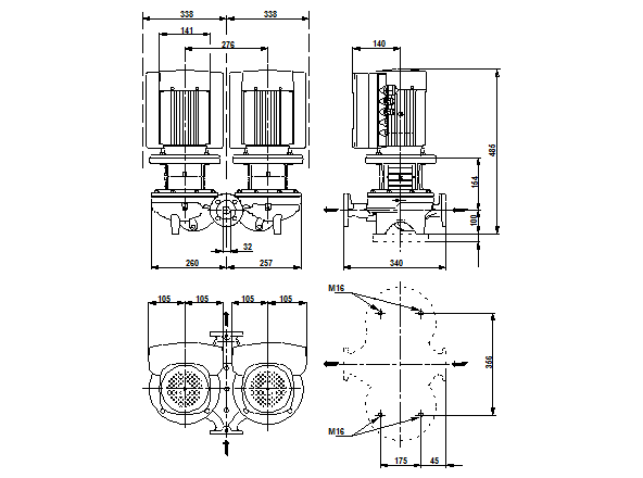
Одноступенчатый сдвоенный центробежный насос TPED 32-200/2 типа "ин-лайн".

Исполнение "ин-лайн" с противолежащими всасывающими напорным патрубками с одинаковым условнымпроходом позволяет монтировать насос на трубе или на бетонное основание.

Сдвоенный насос TPED представляет собой два отдельных насоса в общем корпусе, которые гидравлически изолированы друг от друга установленным со стороны нагнетания подпружиненным шибером.В комплект принадлежностей входит глухой фланеци запасное уплотнительное кольцо.

Коррозионно стойкое необслуживаемое торцевое уплотнение вала.

Насос с IEC-фланцевым однофазным MGE двигателем с частотным регулированием и PI-регулятором,встроенным в клеммную коробку. Встроенная защита от перегрузки и перегрева электродвигателя и электроники. Дополнительная защита не требуется.

Возможно подсоединение внешнего датчика, который позволяет регулировать работу насоса по расходу,разности давления или требуемой температуре.

Панель управления позволяет устанавливать заданные параметры при работе по минимальной или максимальной характеристике или выключении.Панель управления имеет индикационные лампочки "Работа" и "Авария".

Управление насосом TPED 32-200/2 может осуществляться с помощью пульта дистанционного управления R100, который позволяет задавать и считывать количественные параметры, такие как "Текущее значение", "Скорость","Входная мощность" и "Энергопотребление".

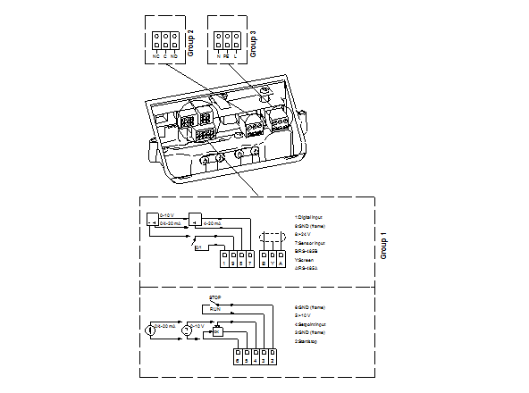
Клеммная коробка имеет контакты:
-Вкл./выкл. насоса (беспотенциальный контакт)
-дистанционное задание значения давления посредством аналогового сигнала 0-10 В,0(4)-20 мА,

потенциометр для задания значения давления:
10 В, Imax =5 мА,
-встроенный датчик давления,вход для дополнительного контроля работы по МИН,МАКС, внешн. сигнала неисправности, струйному выключателю(беспотенциальный контакт),реле с беспотенциальным переключающим контактом для вывода аварийного сигнала,
-RS485 GENIbus.


Технические характеристики:
Наименование продукции - TPED 32-200/2
Артикул (код) - 96112800
Частота вращения - 2900 об/м
Номинальная подача - 11 м?/ч
Номинальный напор - 15 м
Макс. гидростатический напор - 200 дм
Текущий диаметр рабочего колеса - 129 мм
Уплотнение - BUBE/BAQE
Исполнение насоса - A
Модель - A
 
Жидкость:
Диапазон температур жидкости - 0 .. 140 °C

Материалы:
Корпус насоса - Чугун(EN-JL1040), ASTM A48-40 B
Рабочее колесо - Чугун(EN-JL1030), ASTM A48-30 B
Код Материала - А

Монтаж:
Максимальная температура окружающей среды - 40 °C
Макс. рабочее давление - 16 бар
Стандартный фланец - DIN
Код соединения - F
Соединение труб - DN 32
Допустимое давление - PN 16
Монтажная длина - 340 мм
Размер фланца электродвигателя - FT85

Данные электрооборудования:
Мощность двишателя P2 -2 х 1.1 кВт
Тип электродвигателя - 80B
Количество полюсов - 2
Промышленная частота - 50 Hz
Номинальное напряжение - 1 х 220-240 V
Номинальный ток - 8.20-6.80 A
Cos фи - характеристика мощности - 0,97
Номинальная скорость - 360-2840 об/м   
Класс защиты (IEC 34-5) - 55
Класс изоляции (IEC 85) - F
Защита электродвигателя - PTC         
Номер электродвигателя - 85900313
EAN номер - 5700398405320

Другое:
Label - Grundfos Blueflux
Нетто вес - 81 кг
Полный вес - 95 кг
Объем упаковки - 0.39 м3
№ структурного файла - 96555864

Есть вопросы?

Вы можете задать нам вопрос(ы) с помощью следующей формы.

Имя:

Email

Пожалуйста, сформулируйте Ваши вопросы относительно Grunfos TPED 32-200/2:


Введите число, изображенное на рисунке
code