Каталог







Рейтинг@Mail.ru

Услуги



Наши партнеры




Версия для печати Версия для печати

Grundfos SE1.110.200.150.4.52M.C.N.51D -снят с производства

Артикул:  98174812
!Цена не актуальна!

Grundfos SE1.110.200.150.4.52M.C.N.51D
Grundfos SE1.110.200.150.4.52M.C.N.51D -снят с производства Grundfos SE1.110.200.150.4.52M.C.N.51D -снят с производства
Оценить

Насос Grundfos SE1.110.200.150.4.52M.C.N.51D

Насос SE1.110.200.150.4.52M.C.N.51D, специально предназначен для перекачивания канализационных и сточных вод от муниципального и промышленного применения.
Насос SE1 имеет рабочее колесо типа S-tube с 110 мм свободного прохода и предназначен для использования в следующих областях применения:
• забор свежей воды
• станции очистки сточных вод
• муниципальные насосные станции
• общественные здания
• многоквартирные дома
• промышленность
• гаражи
• подземные автостоянки
• автомойки
• рестораны и отели.
Насос SE1.110.200.150.4.52M.C.N.51D подходит как для временной (переносной), так и для постоянной эксплуатации. Подъемная скоба, установленная на насосах, облегчает их транспортировку, а также установку на месте монтажа.
Насос изготовлен из стойких материалов, таких как чугун и нержавеющая сталь. Эти материалы обеспечивают долгую работу.
Насос удобен в обслуживании благодаря таким функциям, как двойное картриджное уплотнение вала с уникальной конструкцией и герметичному кабельному вводу из коррозионностойкой нержавеющей стали.
Картриджное уплотнение вала позволяет производить замену уплотнения вала очень быстро на месте эксплуатации насоса без специальных инструментов, а герметичный кабельный ввод можно демонтировать без демонтажа электродвигателя.
Эти особенности Smartdesign исключают риск неправильной установки.
Насос SE1.110.200.150.4.52M.C.N.51D оснащен высокоэффективным электродвигателем Grundfos Blueflux.
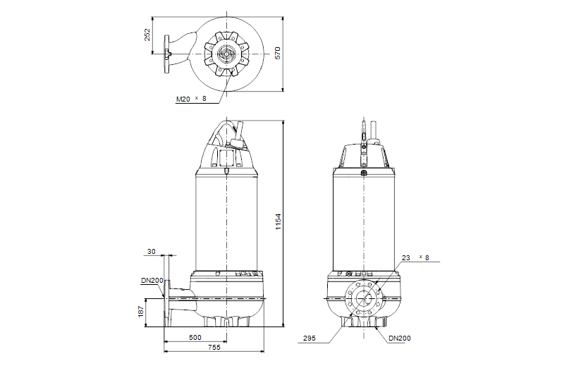
Насос имеет DN100 напорный патрубок.
Насос SL1 предназначен для погружной установки либо на кольцевом основании, либо на автоматической трубной муфте. В то время как для насосов SE1 возможна вертикальная / горизонтальная сухая установка, погружная установка на автоматической трубной муфте или на кольцевом основании.

Технические характеристики:
Наименование продукции - SE1.110.200.150.4.52M.C.N.51D
Артикул (Код) - 98174812
Maкс. расход - 130 л/с
Макс. гидростатический напор - 29 м
Тип рабочего колеса - одноканальное раб. колесо
Максимальный размер частицы - 110 мм
Первичное уплотнение вала - SIC-SIC
Вторичное уплотнение вала - SIC-CARBON
Охлаждающий кожух - y

Жидкость:
Диапазон температур жидкости - 0 .. 40 °C
Темпер. жидкости - 20 °C
Плотность - 998.2 кг/м?

Материалы:
Корпус насоса - Чугун EN-GJL250
Рабочее колесо - Чугун EN-GJL250
Материал - Материал насоса- чугун
Электродвигатель - Чугун - EN-GJL250

Монтаж:
Максимальная температура окружающей среды - 40 °C
Вход / выход насоса - DN200
Максимальная глубина установки - 20 м
Установка сухая/мокрая - D/S
Монтаж - вертикальный
Модельный ряд - 52

Данные электрооборудования:
Количество полюсов - 4
Максимальное потребление тока - 30 A
Подводимая мощность P1 - 17 кВт
Номинальная мощность P2 - 15 кВт
Промышленная частота - 50 Hz
Номинальное напряжение - 3 x 380-415/660-690 V
Допуст.откл-е напряж - +10/-10 %
Способ запуска - звезда/треуг.
Макс. число пусков в час - 20
Номинальный ток - 31-29/18-17 A
Пусковой ток - 228 A
Расчетное значение тока без нагрузки - 12.6 A
Номинальная скорость - 1474 об/м
Эффективность электродвигателя при полной нагрузке - 88 %
Эффективность двигателя при 3/4 нагрузки - 88 %
Эффективность электродвигателя при 1/2 нагрузки - 87 %
Класс защиты (IEC 34-5) - IP68
Класс изоляции (IEC 85) - H
Взрывозащищенное исполнение - нет
Стандарт. Ex-защиты - N
Защита электродвигателя - KLIXON

Другое:
Нетто вес - 372 кг
EAN номер - 5710629622310

Есть вопросы?

Вы можете задать нам вопрос(ы) с помощью следующей формы.

Имя:

Email

Пожалуйста, сформулируйте Ваши вопросы относительно Grundfos SE1.110.200.150.4.52M.C.N.51D -снят с производства :


Введите число, изображенное на рисунке
code