Рейтинг@Mail.ru

Услуги



Наши партнеры




Главная » Сняты с производства » Grundfos-снято с производства » NK / NKG » NK » NK 125-xxx/xx » Grundfos NK 125-315/317 A2-F-A-E-BAQE 2900 об/мин (снят с производства)
Версия для печати Версия для печати

Grundfos NK 125-315/317 A2-F-A-E-BAQE 2900 об/мин (снят с производства)

Артикул:  97830194
!Цена не актуальна!

Grundfos  NK 125-315/317
Grundfos NK 125-315/317 A2-F-A-E-BAQE 2900 об/мин (снят с производства)
Оценить

Товар снят с производства! Для подбора замены свяжитесь с менеджером.


Grundfos  NK 125-315/317 A2-A-E-BAQE

Несамовсасывающий одноступенчатый центробежный насос NK в соответствии с EN 1092-2.

Насос NK 125 предназначен для перекачивания маловязких, чистых и химически неагрессивных жидкостей, не содержащих твердых включений или волокон.

Рабочее колесо гидравлически и динамически сбалансировано.

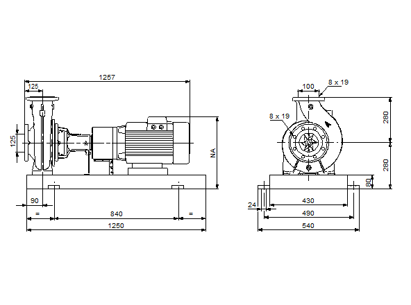
Насос NK 125-315/317 имеет следующие характеристики:
- размеры фланца в соответствии с EN 1092-2,
- Чугун спиральный корпус насоса,
- вал и Чугун рабочее колесо из нержавеющей стали и бронзовые кольца щелевого уплотнения,
- несбалансированное торцевое уплотнение вала в соответствии с EN 12756.

Технические характеристики:
Наименование продукции -  NK 125-315/317
Код (Артикул) - 97830194
Частота вращения - 2990 об/м
Номинальная подача - 486 м3/ч
Номинальный напор - 131 м
Текущий диаметр рабочего колеса - 317 мм
Уплотнение вала - BAQE
Вторичное уплотнение вала - NONE
Диаметр вала - 42 мм
Исполнение насоса - A2

Жидкость:
Диапазон температур жидкости - 0 .. 120 °C  

Материалы:
Корпус насоса - Чугун
EN-GJL-250
ASTM A48-40 B
Рабочее колесо - Чугун
EN-GJL-200
ASTM A48-30 B
Код материала - A
Резина - EPDM
Код резины - E

Монтаж:
Максимальная температура окружающей среды - 60 °C
Макс. рабочее давление - 16 бар
Стандартный фланец - EN 1092-2
Вход насоса - DN 150
Выход насоса -  DN 125
Допустимое давление - PN16
Тип муфты - Проставка
Щелевое уплотнение(я) - щелевое уплотнение

Данные электрооборудования:
Тип электродвигателя - MMG355M
Класс энергоэфф-ти - IE2
Количество полюсов - 2
Подводимая мощность P2 - 250 кВт
Промышленная частота - 50 Hz
Номинальное напряжение - 3 x 380-420D/660-725Y V
Номинальный ток - 440-400/255-232 A
Пусковой ток - 710-710 %
Cos фи - характеристика мощности - 0,90
Номинальная скорость - 2990 об/м
Энергоэффективность - IE2 95,4%
Эффективность электродвигателя при полной нагрузке - 95,4-95,4 %
Эффективность двигателя при 3/4 нагрузки - 94,8-94,8 %
Эффективность электродвигателя при 1/2 нагрузки - 93,3-93,3 %
Класс защиты (IEC 34-5) - 55 (Protect. water jets/dust)
Класс изоляции (IEC 85) - F
Защита электродвигателя - PTC
Номер электродвигателя - 83K15152
Тип смазки - Grease

Другое:
Нетто вес - 2540 кг
Полный вес - 2790 кг
Объем упаковки - 5.56 м3
EAN номер - 5710625402817

Есть вопросы?

Вы можете задать нам вопрос(ы) с помощью следующей формы.

Имя:

Email

Пожалуйста, сформулируйте Ваши вопросы относительно Grundfos NK 125-315/317 A2-F-A-E-BAQE 2900 об/мин (снят с производства):


Введите число, изображенное на рисунке
code