Рейтинг@Mail.ru

Услуги



Наши партнеры




Версия для печати Версия для печати

Grundfos CRE 3-7

Артикул:  96518320
!Цена не актуальна!

Grundfos CRE 3-7
Grundfos CRE 3-7Grundfos CRE 3-7
Оценить

Grundfos CRE 3-7 A-A-A-E-HQQE     

Вертикальный многоступенчатый центробежный насос Grundfos CRE 3-7 с нормальным всасыванием типа "ин-лайн" для монтажа на плите-основании.
Характеристики насоса:
-Рабочие колеса, промежуточные камеры и внешние части корпуса CRE 3-7 выполнены из Нержавеющая сталь DIN W.-Nr.DIN W.-Nr. 1.4301.
-Головная и нижняя опорная часть насоса CRE 3-7 выполнены из Чугун.
-Уплотнение вала в соответствии с DIN 24960.
-Крутящий момент передается через разъемную муфту.
-Подсоединение к трубопроводу с помощью фланцев овальный.

Насос CRE 3-7 с IEC-фланцевым однофазным MGE двигателем с частотным регулированием и PI-регулятором, встроенным в клеммную коробку. Встроенная защита от перегрузки и перегрева электродвигателя и электроники. Дополнительная защита не требуется.

Насос регулируется по датчику, например расхода, перепада давления или температуры.

Панель управления позволяет устанавливать заданные параметры при работе по минимальной или максимальной характеристике или выключении.
Панель управления имеет индикационные лампочки "Работа" и "Авария".

Управление насосом CRE 3-7 A-A-A-E-HQQE может осуществляться с помощью пульта дистанционного управления R100, который позволяет задавать и считывать количественные параметры, такие как "Текущее значение", "Скорость", "Входная мощность" и "Энергопотребление".

Клеммная коробка имеет контакты:
-Вкл./выкл. насоса (беспотенциальный контакт)
-дистанционное задание значения давления посредством аналогового сигнала 0-10 В, 0(4)-20 мА,
-потенциометр для задания значения давления: 10 В, I max= 5mA,
-встроенный датчик давления,
-вход для дополнительного контроля работы по МИН, МАКС, внешн. сигнала неисправности, струйному выключателю (беспотенциальный контакт),
-реле с беспотенциальным переключающим контактом для вывода аварийного сигнала
-RS485 GENIbus.

Технические характеристики:
Наименование продукции - CRE 3-7
Код (Артикул) - 96518320  
Частота вращения - 2750 об/м
Номинальная подача - 3 м3/ч
Номинальный напор - 30.6 м
Рабочие колеса - 7
Торцевое уплотнение - HQQE   
Эластомер - EPDM
Тип насоса - CRE 3
Данные на паспортной табличке - CE
Ступени - 7
Исполнение насоса - A
Модель - A

Материалы:
Чугун
EN-JL1030
ASTM A48-30 B
Рабочее колесо - Нержавеющая сталь
DIN W.-Nr. 1.4301
AISI 304
Код материала - A
Код резины - E

Жидкость:
Диапазон температур жидкости - -20 .. 120 °C

Монтаж:
Максимальная температура окружающей среды - 40 °C  
Макс. давление при заданной темп-ре - 16 бар / 120 °C
16 бар / -20 °C
Стандартный фланец - овальный
Код соединения - A
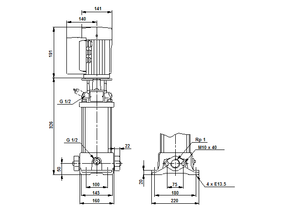
Соединение труб - Rp 1
Размер фланца электродвигателя - FT85

Данные электрообор-я:
Тип электродвигателя - 71B
Количество полюсов - 2
Номинальная мощность - P2 - 0.55 кВт
Энергия (Р2), необходимая для насоса - 0.55 кВт
Промышленная частота - 50 Hz
Номинальное напряжение - 1 x 200-240 V
Номинальный ток - 4,30-3,60 A  
Cos фи - характеристика мощности - 0,96
Номинальная скорость - 360-2840 об/м
Класс защиты (IEC 34-5) - 55
Класс изоляции (IEC 85) - F
Защита электродвигателя - PTC
Номер электродвигателя - 85755103  

Другое:
Label - Grundfos Blueflux
Нетто вес - 23.3 кг
Полный вес - 26 кг
Объем упаковки - 0.04 м3
№ структурного файла - 96059461
EAN номер - 5700396780559

Есть вопросы?

Вы можете задать нам вопрос(ы) с помощью следующей формы.

Имя:

Email

Пожалуйста, сформулируйте Ваши вопросы относительно Grundfos CRE 3-7:


Введите число, изображенное на рисунке
code