Рейтинг@Mail.ru

Услуги



Наши партнеры




Версия для печати Версия для печати

Grundfos CRE 20-5

Артикул:  96512876
!Цена не актуальна!

Grundfos CRE 20-5
Grundfos CRE 20-5Grundfos CRE 20-5
Оценить


Grundfos CRE 20-5 A-F-A-E-HQQE     

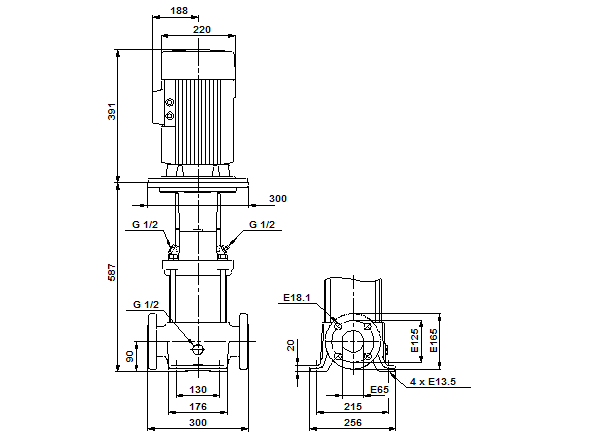
Вертикальный многоступенчатый центробежный насос Grundfos CRE 20-5 с нормальным всасыванием типа "ин-лайн" для монтажа на плите-основании.
Характеристики насоса:
-Рабочие колеса, промежуточные камеры и внешние части корпуса CRE 20-5 выполнены из Нержавеющая сталь DIN W.-Nr.DIN W.-Nr. 1.4301.
-Головная и нижняя опорная часть насоса CRE 20-5 выполнены из Чугун.
-Уплотнение вала в соответствии с DIN 24960.
-Крутящий момент передается через разъемную муфту.
-Подсоединение к трубопроводу с помощью фланцев DIN.

Насос CRE 20-5 с IEC-фланцевым однофазным MGE двигателем с частотным регулированием и PI-регулятором, встроенным в клеммную коробку. Встроенная защита от перегрузки и перегрева электродвигателя и электроники. Дополнительная защита не требуется.

Насос регулируется по датчику, например расхода, перепада давления или температуры.

Панель управления позволяет устанавливать заданные параметры при работе по минимальной или максимальной характеристике или выключении.
Панель управления имеет индикационные лампочки "Работа" и "Авария".

Управление насосом CRE 20-5 A-F-A-E-HQQE может осуществляться с помощью пульта дистанционного управления R100, который позволяет задавать и считывать количественные параметры, такие как "Текущее значение", "Скорость", "Входная мощность" и "Энергопотребление".

Клеммная коробка имеет контакты:
-Вкл./выкл. насоса (беспотенциальный контакт)
-дистанционное задание значения давления посредством аналогового сигнала 0-10 В, 0(4)-20 мА,
-потенциометр для задания значения давления: 10 В, I max= 5mA,
-встроенный датчик давления,
-вход для дополнительного контроля работы по МИН, МАКС, внешн. сигнала неисправности, струйному выключателю (беспотенциальный контакт),
-реле с беспотенциальным переключающим контактом для вывода аварийного сигнала
-RS485 GENIbus.

Технические характеристики:
Наименование продукции - CRE 20-5
Код (Артикул) - 96512876
Частота вращения - 2919 об/м
Номинальная подача - 21 м3/ч
Номинальный напор - 58 м
Рабочие колеса -05
Торцевое уплотнение - HQQE   
Эластомер - EPDM
Тип насоса - CRE 20
Данные на паспортной табличке - CE
Ступени - 05
Исполнение насоса - A
Модель - A

Материалы:
Чугун
EN-JL1030
ASTM A48-30 B
Рабочее колесо - Нержавеющая сталь
DIN W.-Nr. 1.4301
AISI 304
Код материала - A
Код резины - E

Жидкость:
Диапазон температур жидкости - -20 .. 120 °C

Монтаж:
Максимальная температура окружающей среды - 40 °C  
Макс. давление при заданной темп-ре - 16 бар / 120 °C
16 бар / -20 °C
Стандартный фланец - DIN
Код соединения -     F
Соединение труб - DN 50
Допустимое давление - PN 16
Размер фланца электродвигателя - FF265

Данные электрообор-я:
Тип электродвигателя - 132SC
Количество полюсов - 2
Номинальная мощность - P2 - 5.5 кВт
Энергия (Р2), необходимая для насоса - 5.5 кВт
Промышленная частота - 50 Hz
Номинальное напряжение - 3 x 380-480 V      
Номинальный ток - 11,0-8,80 A
Номинальная скорость - 360-3530 об/м
IE efficiency - IE3 89,2%
Класс защиты (IEC 34-5) - 55
Класс изоляции (IEC 85) - F
Защита электродвигателя - Отсутс.
Номер электродвигателя - 85757417

Другое:
Label - Grundfos Blueflux
Нетто вес - 96 кг
Полный вес - 124 кг
№ структурного файла - 96115808
EAN номер - 5700396620138

Есть вопросы?

Вы можете задать нам вопрос(ы) с помощью следующей формы.

Имя:

Email

Пожалуйста, сформулируйте Ваши вопросы относительно Grundfos CRE 20-5:


Введите число, изображенное на рисунке
code